Задача по ТОЭ
Автор
Сообщение

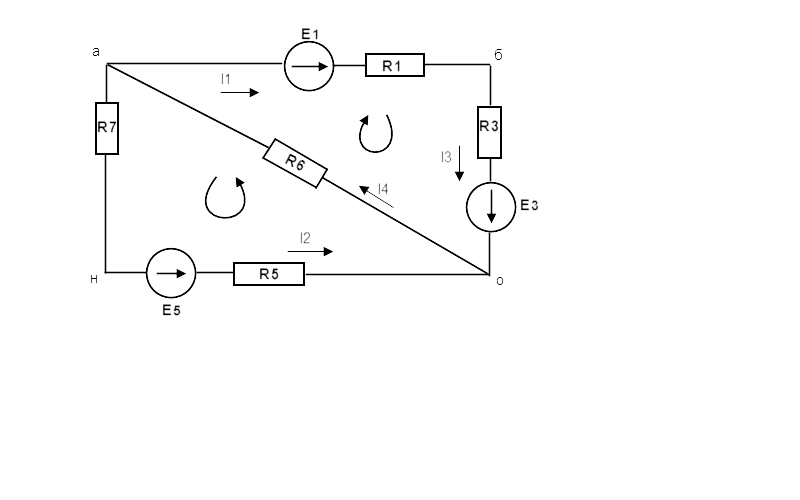
Я в ТОЭ мало что понимаю. Пожалуйста кому не лень, помогите расчитать электросхему согласно:
1) законам Кирхгофа;
2) методу контурных токов;
3) методу двух узлов;
4) методу суперпозиции.
5) методу эквивалентного генератора.
Методов много, не прошу по всем хотя было бы очень здорово, но буду рад даже 1 решенному методу ![]()
о,а - узлы - место разветвления тока.


