Расчет цепи постоянного тока

Расчет цепи постоянного тока
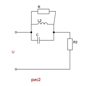
Есть электрическая цепь постоянного тока.
Приложенное напряжение U (В)= 90
L (Гн) = 0,5
C (мкф) = 70
R (Ом) = 60
R2 (Ом) = 60
НУЖНО НАЙТИ:
- Определить падение напряжения на сопротивлении R2
- Проверить баланс мощностей
Анализ схемы я начинала с узлов для возможного её упрощения и выбора метода расчета. Признак узла – точка, показывающая соединение, следовательно, ёмкость С к схеме не подключена и её рассматривать не надо. UR2 = IR2
В этом выражении неизвестен ток в сопротивлении R2, задача свелась к тому, чтобы найти этот ток. Для этого применяем закон Ома, но для другого участка, там, где известно напряжение U, это приложенное напряжение.
А дальше затупок, прошу помочь прояснить ситуацию!

#55730 rarahelp :Есть электрическая цепь постоянного тока.
Обратите внимание — ПОСТОЯННОГО.
- Определить падение напряжения на сопротивлении R2
Так как мндуктивность никакого сопротивления постоянному току не оказывает, то напряжение на сопротивлении R2 равно U.
- Проверить баланс мощностей
Баланс мощностей очевиден.

Сопротивление R — бесполезно. Так же как и конденсатор.
Что такое баланс мощности? И можно ли его посчитать если мы не знаем внутреннего сопротивления источника напряжения ?

#55733 givigudze :Что такое баланс мощности?
Это очень просто. Выделяемая источником электроэнергии мощность равна мощности, потребляемой схемой, подсоединённой к источнику.
И можно ли его посчитать если мы не знаем внутреннего сопротивления источника напряжения ?
А внутреннее сопротивление вообще не нужно.
В данном случае мощность источника UI. И на сопротивлении R2 выделяется мощнось UI.

Нас учили что баланс мощности — это соотношение тепловой мощности выделяемой на генераторе и приемнике.

#55742 givigudze :Нас учили что баланс мощности — это соотношение тепловой мощности выделяемой на генераторе и приемнике.
А нас так:
Баланс мощностей – это выражение закона сохранения энергии, в электрической цепи. Определение баланса мощностей звучит так: сумма мощностей потребляемых приемниками, равна сумме мощностей отдаваемых источниками.
Источник: https://studfile.net/preview/15698304/page:5/ https://studfile.net/preview/15698304/page:5/ .

равна сумме мощностей отдаваемых источниками
Как можно посчитать мощность отдаваемую источником не зная его внутреннего сопротивления ?

#55748 givigudze :Как можно посчитать мощность отдаваемую источником не зная его внутреннего сопротивления ?
«Элементарно, Ватсон». ©.
Произведение напряжения на клеммах источника на силу тока через источник. Внутреннее сопротивление источника — это его внутреннее дело.

То есть по вашему баланс мощностей будет одинаковый от литий-ионной батарейки и от солевой, от генератора с обмоткой из толстого провода и тонкого ?
А зачем тогда соединяют паралельно источники тока, к примеру гальванические ?
После таких размышлений рождается тот случай, когда мой одногрупник оказался в общаге на физ-факе где его попросили настроить телевизионную антенну. Оказалось что физики запаяли к антенне на крыше большой комок олова и каждого нового аббонента подключали припаиванием жилы коаксиального кабеля к этому комку олова. Вот именно такие задачи и такие размышления приводят к такому плачевному результату.
Каждый источник тока и напряжения имеет внутренне сопротивление — и это спротивление головная боль для любого подключающего устройства к этому источнику.

#55759 givigudze :То есть по вашему баланс мощностей будет одинаковый от литий-ионной батарейки и от солевой, от генератора с обмоткой из толстого провода и тонкого ?
Это не по моему. Это общеизвестно. Какая бы ни была электрическая схема, в каком бы режиме она ни работала, баланс мощности выполняется — потребляемая мощность равна отдаваемой. Это закон сохранения энергия, а отклонений от этого закона до сих пор не наблюдалось.
А зачем тогда соединяют паралельно источники тока, к примеру гальванические ?
Для повышение отдаваемого потребителям тока при том же напряжении.
После таких размышлений рождается тот случай, когда мой одногрупник оказался в общаге на физ-факе где его попросили настроить телевизионную антенну. Оказалось что физики запаяли к антенне на крыше большой комок олова и каждого нового аббонента подключали припаиванием жилы коаксиального кабеля к этому комку олова. Вот именно такие задачи и такие размышления приводят к такому плачевному результату.
Каждый источник тока и напряжения имеет внутренне сопротивление — и это спротивление головная боль для любого подключающего устройства к этому источнику.
Вы пытаетесь свой практический опыт куда-то прикрепить, совершенно не задумываясь о том, подходит ли он в данном конкретном случае. И это приводит к плачевному результату.
В данном конкретном случае вы путаете вопрос о балансе мощностей с вопросом о согласовании режимов работы источника электорэнергии и потребителя электроэнергии. Вопрос важнейший, но к теме топикстартера отношения не имеющий.

